D'fhéadfaí na grianghraif a chuir tú ar fáil a úsáid chun seirbhísí Bing phróiseáil íomhánna a fheabhsú.
Polasaí príobháideachais
|
Téarmaí Úsáide
Ní féidir an nasc seo a úsáid. Seiceáil go dtosaíonn do nasc le 'http://' nó 'https://' chun triail eile a bhaint as.
Ní féidir an cuardach seo a phróiseáil. Bain triail as íomhá nó as eochairfhocail eile.
Bain triail as Cuardach Amharc
Cuardaigh, aithin oibiachtaí agus téacs, aistrigh nó réitigh fadhbanna le híomhá
Tarraing íomhá amháin nó níos mó anseo,
uaslódáil íomhá
nó
oscail an ceamara
Scaoil íomhánna anseo chun do chuardach a thosú
Chun Cuardach Físiúil a úsáid, cumasaigh an ceamara sa bhrabhsálaí seo
English
Gach rud
Cuardach
Íomhánna
Inspioráid
Cruthaigh
Bailiúcháin
Físeáin
Mapaí
Nuacht
Tuilleadh
Siopadóireacht
Eitiltí
Taisteal
Nótaleabhar
Na moltaí is mó chabhair le haghaidh 74HC574 Arduino
Arduino
LED Cube
Arduino
Micro
74HC574
8X8
Arduino
LED Cube 8X8x8
Arduino
74HC04
Pinout
7-Segment Display
Arduino
74HC74
74HC574
Data Sheet
Hc574
Circuits
8X8x8 LED Cube
Schematic
100nF Arduino
Discharge
Projects Using the 74HC595 with
Arduino
74HC573
LED Shift Register
Arduino
How to Using Sn74hc595n No
Arduino
Sn74hc595n Project No
Arduino
74HC374 Application
Circuit
Arduino
Nano PNG
Arduino
ATmega32u4
Aruduino
Micro
8X8x8 LED Cube
Circuit Diagram
HC595
Arduino
LED Cube
Circuit
74HC574
Pinout
Arduino
74HC595 Capacitor Diagram
RGB LED Cube
Arduino
8X8 LED
Arduino
LED Cube
Arduino Project
Taiscéal tuilleadh cuardaigh cosúil le 74HC574 Arduino
Relay
Board
Stepper Motor
Driver
LED
Projects
Cheat
Sheet
PCB
Board
CNC
Machine
Stepper Motor
Control
Code
Examples
Robot
Car
Nano
V3
LED
Matrix
Mega
Pinout
DC Motor
Control
IDE
Interface
Nano
Pinout
Gas
Sensor
Robot
Kit
LED
Circuit
Relay
Switch
Circuit
Simulator
Robot
Arm
For
Loop
Circuit
Schematic
Water Pressure
Sensor
Alarm
System
Uno
Parts
Circuit
Board
Circuit
Diagram
Relay
Circuit
Logo
png
Uno
Drawing
LED
Resistor
IDE
Logo
Analog
Input
RGB
LED
MIDI-Controller
Uno
Pinout
Uno
Rev3
Nano
Schematic
Serial
Port
LED
Example
Graphic
Display
Uno
Map
Home
Projects
Uno
PNG
DC
Motor
Motor
Controller
Motion
Sensor
Pressure
Sensor
LED
Array
Chuardaigh daoine a bhfuil spéis acu i74HC574 Arduino do
Pro Mini
Pinout
IR
LED
Stepper
Motor
Pro
Mini
Nano
Pins
Raspberry
Pi
Rotary
Encoder
RC
Transmitter
Temperature
Sensor
WiFi
Module
Uathsheinn gach GIFanna
Athraigh uathsheinn agus socruithe íomhá eile anseo
Uathsheinn gach GIFanna
Smeach an lasc chun iad a chasadh air
GIFanna uathsheachadta
Méid íomhá
Gach ceann
Beag
Meánach
Mór
Ollmhór
Ar a laghad... *
Leithead Saincheaptha
x
Airde Saincheaptha
px
Iontráil uimhir do Leithead agus Airde
Dath
Gach ceann
Dath amháin
Dubh & bán
Cineál
Gach ceann
Grianghraf
Fáisc-ealaín
Líníocht le líne
GIF beochana
Trédhearcach
Leagan amach
Gach ceann
Cearnóg
Leathan
Ard
Daoine
Gach ceann
Aghaidheanna amháin
Ceann &barainní
Dáta
Gach ceann
Le 24 uair an chloig anuas
Le seachtain anuas
Le mí anuas
Le bliain anuas
Ceadúnas
Gach ceann
Gach Creative Commons
Fearann poiblí
Saor in aisce le comhroinnt agus úsáid
Saor in aisce a roinnt agus a úsáid ar bhonn tráchtála
Saor in aisce chun rudaí a mhionathrú, a chomhroinnt agus a úsáid
Saor in aisce chun rudaí a mhionathrú, a chomhroinnt agus a úsáid ar bhonn tráchtála
Tuilleadh faisnéise
Scagairí a ghlanadh
SafeSearch:
Meánach
Docht
Measartha (réamhshocraithe)
As
Scag
Arduino
LED Cube
Arduino
Micro
74HC574
8X8
Arduino
LED Cube 8X8x8
Arduino
74HC04
Pinout
7-Segment Display
Arduino
74HC74
74HC574
Data Sheet
Hc574
Circuits
8X8x8 LED Cube
Schematic
100nF Arduino
Discharge
Projects Using the 74HC595 with
Arduino
74HC573
LED Shift Register
Arduino
How to Using Sn74hc595n No
Arduino
Sn74hc595n Project No
Arduino
74HC374 Application
Circuit
Arduino
Nano PNG
Arduino
ATmega32u4
Aruduino
Micro
8X8x8 LED Cube
Circuit Diagram
HC595
Arduino
LED Cube
Circuit
74HC574
Pinout
Arduino
74HC595 Capacitor Diagram
RGB LED Cube
Arduino
8X8 LED
Arduino
LED Cube
Arduino Project
1920×1080
detailspin.com
Arduino Leonardo ICSP Pinout: A Comprehensive Guide
1080×608
infoupdate.org
Working Principle Of Permanent Magnet Stepper Motor With Arduino ...
1600×1153
ar.inspiredpencil.com
Arduino Uno Pinout
520×390
blog.bricogeek.com
RGB LED Shield para Arduino con TLC5940 - BricoGeek.com
984×792
americanprime.com.br
Arduino Mini Sda Scl Pins Attractive Design | americanpri…
1479×763
newbiely.com
Arduino Nano - Joystick | Arduino Nano Tutorial
1024×768
forum.arduino.cc
Questions about 74HC574 - General Electronics - Arduino Forum
1280×720
circuits-diy.com
RGB LED - Arduino Tutorial
1920×1080
programmingelectronics.com
Arduino UNO R4 WiFi. Is this new board for you?
1536×1107
barcarikqfixlist.z13.web.core.windows.net
Arduino Nano Atmega328p Pinout
Taiscéal tuilleadh cuardaigh cosúil le
74HC574
Arduino
Relay Board
Stepper Motor Driver
LED Projects
Cheat Sheet
PCB Board
CNC Machine
Stepper Motor Control
Code Examples
Robot Car
Nano V3
LED Matrix
Mega Pinout
1237×667
newbiely.com
Arduino Nano - Keypad 1x4 | Arduino Nano Tutorial
960×720
forum.arduino.cc
flip flop it or 4051 it? - General Guidance - Arduino Forum
666×500
forum.arduino.cc
flip flop it or 4051 it? - General Guidance - Arduino Forum
2000×2000
storage.googleapis.com
Arduino Kits For High School Students at Megan Blackmon blog
2560×1440
diyprojectslab.com
MAX485 Modbus Communication With Arduino
1920×1080
ade.zendframeworkschulung.de
Can bus network using arduino and can bus shield – arduino can bus ...
600×500
jpralves.net
8x8x8 LED Cube Using Arduino - jpralves.net
1429×759
diyprojectslab.com
How To Use MCP2515 SPI CAN Bus Module with Arduino - Code
800×800
elecena.pl
Monitorowanie otoczenia z Arduino | elecena.pl - wys…
2182×1460
en.hwlibre.com
How to Program Arduino with Python: Complete Guide and Examples
1280×720
circuits-diy.com
RXB61 315/433MHz RF Receiver Module with Arduino
2169×2108
diyables.io
DIYables Proto Screw Shield Assembled Terminal Block Prototyp…
1452×1000
docs.cirkitdesigner.com
Arduino UNO Controlled Power Supply with 9V Battery and Step-…
630×560
gellai.com
4x4x4 LED Cube With Arduino Pro Mini - ATmega328 AVR Microcon…
14:07
YouTube > Vlad Romanov
Arduino Tutorial #3 - Shift Registers (74HC595)
YouTube · Vlad Romanov · 631.4K amharc · 3 Feabh 2014
4:33
www.youtube.com > TechnoElectronic
Traffic Light Circuit Using 555 Timer IC
YouTube · TechnoElectronic · 39.3K amharc · 29 Lún 2023
Chuardaigh daoine a bhfuil spéis acu i
74HC574
Arduino
do
Pro Mini Pinout
IR LED
Stepper Motor
Pro Mini
Nano Pins
Raspberry Pi
Rotary Encoder
RC Transmitter
Temperature Sensor
WiFi Module
1280×720
YouTube
led cube 8x8x8 arduino uno r3 + 74HC574 - YouTube
1150×719
Softpedia
SimulIDE - Download - Softpedia
150×150
jpralves.net
74HC04 - jpralves.net
1068×789
pyroelectro.com
8x8x8 LED Cube Kit Instructions | PyroElectro - News, Projects & Tutori…
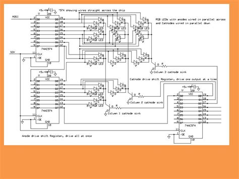
1069×772
pyroelectro.com
8x8x8 LED Cube Kit Schematic | PyroElectro - News, Project…
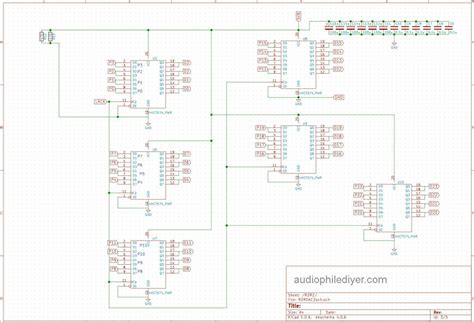
1361×927
audiophilediyer.com
Discrete R2R DAC (part 3) - Audiophile Diyer
2816×1248
electronica.guru
Cómo aumentar el fanout del búfer CMOS - Electronica
2304×1296
pyroelectro.com
8x8x8 LED Cube With Arduino | PyroElectro - News, Projects & Tutorials
2304×1296
pyroelectro.com
8x8x8 LED Cube With Arduino | PyroElectro - News, Projects & Tutorials
Tá roinnt torthaí folaithe toisc go bhfuil seans ann nach bhfuil siad inrochtana agat.
Taispeáin torthaí dorochtana
Tuairiscigh inneachar mí-oiriúnach
Roghnaigh ceann de na roghanna thíos.
Neamhábhartha
Maslach
Duine fásta
Mí-Úsáid Ghnéasach Leanaí
Aiseolas