D'fhéadfaí na grianghraif a chuir tú ar fáil a úsáid chun seirbhísí Bing phróiseáil íomhánna a fheabhsú.
Polasaí príobháideachais
|
Téarmaí Úsáide
Ní féidir an nasc seo a úsáid. Seiceáil go dtosaíonn do nasc le 'http://' nó 'https://' chun triail eile a bhaint as.
Ní féidir an cuardach seo a phróiseáil. Bain triail as íomhá nó as eochairfhocail eile.
Bain triail as Cuardach Amharc
Cuardaigh, aithin oibiachtaí agus téacs, aistrigh nó réitigh fadhbanna le híomhá
Tarraing íomhá amháin nó níos mó anseo,
uaslódáil íomhá
nó
oscail an ceamara
Scaoil íomhánna anseo chun do chuardach a thosú
Chun Cuardach Físiúil a úsáid, cumasaigh an ceamara sa bhrabhsálaí seo
English
Gach rud
Cuardach
Íomhánna
Inspioráid
Cruthaigh
Bailiúcháin
Físeáin
Mapaí
Tuilleadh
Nuacht
Eitiltí
Taisteal
Nótaleabhar
Uathsheinn gach GIFanna
Athraigh uathsheinn agus socruithe íomhá eile anseo
Uathsheinn gach GIFanna
Smeach an lasc chun iad a chasadh air
GIFanna uathsheachadta
Méid íomhá
Gach ceann
Beag
Meánach
Mór
Ollmhór
Ar a laghad... *
Leithead Saincheaptha
x
Airde Saincheaptha
px
Iontráil uimhir do Leithead agus Airde
Dath
Gach ceann
Dath amháin
Dubh & bán
Cineál
Gach ceann
Grianghraf
Fáisc-ealaín
Líníocht le líne
GIF beochana
Trédhearcach
Leagan amach
Gach ceann
Cearnóg
Leathan
Ard
Daoine
Gach ceann
Aghaidheanna amháin
Ceann &barainní
Dáta
Gach ceann
Le 24 uair an chloig anuas
Le seachtain anuas
Le mí anuas
Le bliain anuas
Ceadúnas
Gach ceann
Gach Creative Commons
Fearann poiblí
Saor in aisce le comhroinnt agus úsáid
Saor in aisce a roinnt agus a úsáid ar bhonn tráchtála
Saor in aisce chun rudaí a mhionathrú, a chomhroinnt agus a úsáid
Saor in aisce chun rudaí a mhionathrú, a chomhroinnt agus a úsáid ar bhonn tráchtála
Tuilleadh faisnéise
Scagairí a ghlanadh
SafeSearch:
Meánach
Docht
Measartha (réamhshocraithe)
As
Scag
1100×779
Weebly
DCC central - ATMel DCC Goodies
1100×779
Weebly
Light Controller - ATMel DCC Goodies
1020×748
trainelectronics.com
A High Power DCC Booster
800×800
trainelectronics.com
A High Power DCC Booster
1020×861
trainelectronics.com
A High Power DCC Booster
250×129
Weebly
Tools and Resources - ATMel DCC Goodies
1020×687
trainelectronics.com
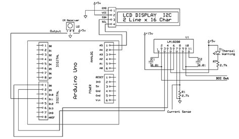
DCC Arduino
600×338
tankbig.com
Model Train With Dcc Control Using Arduino And Dcc++ | Car Wiring Diagram
1020×899
artofit.org
Arduino dcc controller – Artofit
1020×594
trainelectronics.com
Arduino DCC Controller
1020×955
www.pinterest.com
Arduino DCC Controller for Model Trains
800×559
electronics-diy.com
Arduino DCC Decoder
1089×344
electronics-diy.com
Arduino DCC Decoder
1280×720
storage.googleapis.com
Arduino Dcc Controller at Cameron Coppin blog
2959×1915
storage.googleapis.com
Arduino Dcc Controller at Cameron Coppin blog
1020×892
storage.googleapis.com
Arduino Dcc Controller at Cameron Coppin blog
1020×874
storage.googleapis.com
Arduino Dcc Controller at Cameron Coppin blog
1280×720
storage.googleapis.com
Arduino Dcc Controller at Cameron Coppin blog
1020×908
www.pinterest.com
Arduino DCC Controller | Arduino, Arduino projects, Control
485×221
trainelectronics.com
Arduino DCC Function Decoder
868×868
loco.engineering
Digital Command Control (DCC) converte…
834×834
loco.engineering
Digital Command Control (DCC) converte…
1850×1053
loco.engineering
Tutorial: How to make an Arduino / ESP32 wireless DCC decoder?
600×301
loco.engineering
Tutorial: How to make an Arduino / ESP32 wireless DCC decoder?
1631×1625
loco.engineering
Digital Command Control (DCC) converter for Ardui…
1169×1173
loco.engineering
Digital Command Control (DCC) converter for Ardu…
600×342
loco.engineering
How to make an Arduino DCC decoder?
1322×1295
loco.engineering
Digital Command Control (DCC) converter for Arduino…
1321×1295
loco.engineering
Digital Command Control (DCC) converter for Arduino…
957×718
dokumen.tips
(PDF) Arduino DCC Control - OMS(re)models03/2019 Thomas Os…
1020×617
trainelectronics.com
Arduino DCC Controller
1020×648
trainelectronics.com
Arduino DCC Controller
1020×748
trainelectronics.com
Arduino DCC Controller
1020×756
trainelectronics.com
Arduino DCC Controller
736×613
www.pinterest.com
Model Railway - DCC Command Station Using Arduino: | Modeltr…
Tá roinnt torthaí folaithe toisc go bhfuil seans ann nach bhfuil siad inrochtana agat.
Taispeáin torthaí dorochtana
Tuairiscigh inneachar mí-oiriúnach
Roghnaigh ceann de na roghanna thíos.
Neamhábhartha
Maslach
Duine fásta
Mí-Úsáid Ghnéasach Leanaí
Aiseolas