The photos you provided may be used to improve Bing image processing services.
Privacy Policy
|
Terms of Use
Can't use this link. Check that your link starts with 'http://' or 'https://' to try again.
Unable to process this search. Please try a different image or keywords.
Try Visual Search
Search, identify objects and text, translate, or solve problems using an image
Drag one or more images here,
upload an image
or
open camera
Drop images here to start your search
To use Visual Search, enable the camera in this browser
Gaeilge
All
Search
Images
Inspiration
Create
Collections
Videos
Maps
News
More
Shopping
Flights
Travel
Notebook
Top suggestions for Sequential Function Chart
SFC
Sequential Function Chart
Sequential Function Chart
Programming
Sequential
Flow Chart
Sequential Function Chart
plc
Sequential Function Chart
Examples
Studio 5000
Sequential Function Chart
plc Ladder Logic
Diagram
Continuous
Function Chart
Sequential Function Chart
PNG
Cross-Functional Process Flow
Chart
Sequential Function Chart
Subroutine
Sequential Function
6 Step Chart
Job
Function Chart
Sequential Function Chart
of Tia
Grafcet
Sequential Function Chart
Process Flow Diagram
Symbols Meaning
Sequential
Graph
Sequential Function Chart
From State Diagram
Allen Bradley
Sequential Function Chart
Sequential Function Chart
Timer
Siemens
Sequential Function Chart
Rockwell
Sequential Function Chart
Sequential Function Chart
Domestic Appliances
Sequency
Function Chart
Programmable Logic
Controller
Sequence
Function Chart
Function
Block Diagram plc
Flowchart
plc
Sequential Function Chart
Module
Sequential Function Chart
S88
Flow Chart
Loop Example
Smscp
Sequential Function Chart
Sample Cross-Functional
Flowchart
Control Expert Schneider
Sequential Function Chart
Sequential Function Chart
plc Omron
Sequential Function Chart
Template
Function
Block Diagram vs Ladder Logic
Types of plc
Programming
Sequential Function Chart
Omron Sysmac
Sequential Function Chart
Programming Language
CoDeSys
Sequential Function Chart
Sequential Function Chart
for Boiler Light Off
ABB
Sequential Function Chart
Sequential Function Chart
Parallel
Example Sequential Function Chart
plc Program
How to Make a Stop Circuit
Sequential Function Chart
Sequential Function Chart
of Washing Machine plc
Functionality
Chart
Detailed Sequence
Diagram
Sequential Function Charts
SFC Example
Refine your search for Sequential Function Chart
Allen-Bradley
Domestic
Appliances
State
Diagram
Stamping
Machine
plc
System
What
is
For
Counter
Allen-Bradley
plc
plc
Program
Omron
plc
File:Logo
Studio
5000
Emergency
Stop
ABB
DCS
Programming
plc
SFC
Examples
Timer
Order
Help
Learn
Homing
Sequence
Sequencing
Using
Coding
Action
Graphic
GE
Explore more searches like Sequential Function Chart
plc
Examples
plc
Programming
SCS
Arduino
SFC Parrell
Branch
Basic
Elements
Sample
Lockout
Operator
Graphic
Pemrograman
Programming
AB
Start Pump If
Valve Open
Electrical
Components
APA
Itu
Pumping
Station
Spreadsheet
People interested in Sequential Function Chart also searched for
Ladder
Logic
Structured
Text
SCADA
IEC
61131
Distributed Control
System
Function Block
Diagram
Instruction
List
IEC
61131-3
Autoplay all GIFs
Change autoplay and other image settings here
Autoplay all GIFs
Flip the switch to turn them on
Autoplay GIFs
Image size
All
Small
Medium
Large
Extra large
At least... *
Customized Width
x
Customized Height
px
Please enter a number for Width and Height
Color
All
Color only
Black & white
Type
All
Photograph
Clipart
Line drawing
Animated GIF
Transparent
Layout
All
Square
Wide
Tall
People
All
Just faces
Head & shoulders
Date
All
Past 24 hours
Past week
Past month
Past year
License
All
All Creative Commons
Public domain
Free to share and use
Free to share and use commercially
Free to modify, share, and use
Free to modify, share, and use commercially
Learn more
Clear filters
SafeSearch:
Moderate
Strict
Moderate (default)
Off
Filter
SFC
Sequential Function Chart
Sequential Function Chart
Programming
Sequential
Flow Chart
Sequential Function Chart
plc
Sequential Function Chart
Examples
Studio 5000
Sequential Function Chart
plc Ladder Logic
Diagram
Continuous
Function Chart
Sequential Function Chart
PNG
Cross-Functional Process Flow
Chart
Sequential Function Chart
Subroutine
Sequential Function
6 Step Chart
Job
Function Chart
Sequential Function Chart
of Tia
Grafcet
Sequential Function Chart
Process Flow Diagram
Symbols Meaning
Sequential
Graph
Sequential Function Chart
From State Diagram
Allen Bradley
Sequential Function Chart
Sequential Function Chart
Timer
Siemens
Sequential Function Chart
Rockwell
Sequential Function Chart
Sequential Function Chart
Domestic Appliances
Sequency
Function Chart
Programmable Logic
Controller
Sequence
Function Chart
Function
Block Diagram plc
Flowchart
plc
Sequential Function Chart
Module
Sequential Function Chart
S88
Flow Chart
Loop Example
Smscp
Sequential Function Chart
Sample Cross-Functional
Flowchart
Control Expert Schneider
Sequential Function Chart
Sequential Function Chart
plc Omron
Sequential Function Chart
Template
Function
Block Diagram vs Ladder Logic
Types of plc
Programming
Sequential Function Chart
Omron Sysmac
Sequential Function Chart
Programming Language
CoDeSys
Sequential Function Chart
Sequential Function Chart
for Boiler Light Off
ABB
Sequential Function Chart
Sequential Function Chart
Parallel
Example Sequential Function Chart
plc Program
How to Make a Stop Circuit
Sequential Function Chart
Sequential Function Chart
of Washing Machine plc
Functionality
Chart
Detailed Sequence
Diagram
Sequential Function Charts
SFC Example
768×1024
scribd.com
Sequential Function Chart | PDF | Progra…
768×1024
scribd.com
Sequential Function Chart | PDF
768×1024
es.scribd.com
Sequential Function Chart | PDF
768×1024
scribd.com
Automation Sequential Function Chart Guid…
Related Products
PLC Sequential Function Chart
plc Training Kit
plc Starter Kit
768×1024
scribd.com
p01 08 Sequential Function Chart v9 Tu…
695×900
handwiki.org
Sequential function chart - …
638×479
excelautomationsolutions.com
Sequential Function Chart - EXCEL
600×400
excelautomationsolutions.com
Sequential Function Chart - EXCEL
585×984
bceweb.org
Sequential Function Chart …
1920×1080
realpars.com
Sequential Function Chart (SFC) Programming for Beginners - RealPars
1600×900
realpars.com
Sequential Function Chart (SFC) Programming for Beginners - RealPars
1920×1080
realpars.com
Sequential Function Chart (SFC) Programming for Beginners - RealPars
698×812
semanticscholar.org
Sequential function chart | Semantic Scholar
1390×838
semanticscholar.org
Sequential function chart | Semantic Scholar
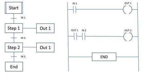
Sequential Function Charts Examples
See more results
Sequential Function Charts Grafcet
See more results
Sequential Function Charts PLC
See more results
880×584
semanticscholar.org
Sequential function chart | Semantic Scholar
522×522
researchgate.net
Sequential function chart. | Download Scientific Dia…
934×825
fity.club
Sequential Function Chart Programming
1280×720
fity.club
Sequential Function Chart Programming
768×519
instrumentationtools.com
What is Sequential Function Chart (SFC)? - PLC Programming
638×903
fity.club
Sequential Function Chart Programming …
904×728
fity.club
Sequential Function Chart Programming Sequential Function Chart | PDF
706×1024
fity.club
Sequential Function Chart Programmin…
667×1000
fity.club
Sequential Function Chart Programmin…
1407×483
automationforum.co
What is Sequential Function Chart? | Instrumentation and Control ...
757×1309
researchgate.net
SFC Branch1 SFC: Sequentia…
960×720
slidegeeks.com
Eight Stages Sequential Function Chart Ppt PowerPoint Presentati…
800×450
www.plctalk.net
Understanding Sequential Function Chart Programming for PLCs - News
1200×628
accautomation.ca
xgb plc sequential function chart sfc first | ACC Automation: PLC ...
405×386
Stack Exchange
control - Is this sequential function c…
600×329
control.com
Deep Dive into PLC Sequential Function Chart (SFC) Programming ...
1280×720
rumble.com
Sequential Function Chart Unbalanced Convergence
Refine your search for
Sequential Function Chart
Allen-Bradley
Domestic Appliances
State Diagram
Stamping Machine
plc System
What is
For Counter
Allen-Bradley plc
plc Program
Omron plc
File:Logo
Studio 5000
900×589
dmcinfo.com
Sequential Function Chart to PLC Ladder Logic Translation | DMC, Inc.
900×595
dmcinfo.com
Sequential Function Chart to PLC Ladder Logic Translation | DMC, Inc.
1280×720
flowchart.artourney.com
Sequential Flow Chart Sequential Function Charts - Flowchart Example
640×640
researchgate.net
Example on sequential function chart language …
Some results have been hidden because they may be inaccessible to you.
Show inaccessible results
Report an inappropriate content
Please select one of the options below.
Not Relevant
Offensive
Adult
Child Sexual Abuse
Feedback