The photos you provided may be used to improve Bing image processing services.
Privacy Policy
|
Terms of Use
Can't use this link. Check that your link starts with 'http://' or 'https://' to try again.
Unable to process this search. Please try a different image or keywords.
Try Visual Search
Search, identify objects and text, translate, or solve problems using an image
Drag one or more images here,
upload an image
or
open camera
Drop images here to start your search
To use Visual Search, enable the camera in this browser
Nederlands
All
Search
Images
Inspiration
Create
Collections
Videos
Maps
News
Copilot
More
Shopping
Flights
Travel
Notebook
Top suggestions for Axisymmetric Part Engineering Drawing
Engineering Drawing Parts
List
Engineering Drawing
Types
Part Drawing
Technical
Part Drawing
Sectional View
Engineering Drawing
Part Drawing
Symbols
Mechanical
Part Drawing
Detail
Part Drawing
Drafting
Drawing
Plastic
Part Drawing
Engineering Drawing
Typical
Engineering
CAD Drawings
Engineering Drawing
Layout
Mechanical ISO
Drawing
3D Technical
Drawing
Engineering Drawing
Components
Notes On
Engineering Drawing
Mechanical Drawing
Sketch
Basic Mechanical
Engineering Drawing
Engineering
Process Drawing
Sketching
Engineering
Engineering
Graphics Drawing
Engineering Drawing
Dimension Symbols
Mechanical Drawings
Examples
Pictorial
Engineering Drawing
Engineer Drawing
Example
Engineering Drawing
Sheet
Mechanical Drawing
PDF
Engineering Drawing
Tolerance Symbols
Engineering
Welding Symbols
Engineering Drawing
Border
Engineering Drawing
Guide
Product Technical
Drawing
Sub Assembly
Drawing
Detailed
Engineering Drawing
Engineering Drawing
Machining Symbols
SolidWorks
Part Drawing
Simple Mechanical
Drawing
Engineering Drawing
Before CAD
Engineering Drawings
Explained
Engineering Drawing
Dimensions
Component
Drawing
ASME
Drawing
AutoCAD Mechanical
Drawing
Cross Section
Engineering Drawing
2D Drafting
Drawings
Engineering Drawing
Lettering
Part Drawing
Template
Sheet Metal
Engineering Drawing
Engineering Drawing
Basics
Explore more searches like Axisymmetric Part Engineering Drawing
Magnetic
Field
Flow
Example
Water
Waves
Transverse
Mode
Solid
Diagram
Cavity
Filling
Round
Geometry
Problem
Diagram
Level Set
Equation
Finite Element
Model
Electric
Field
Building
Layout
Graphic
Design
Hole Pattern
Cylinder
Heat
Transfer
Cylindrical
Geometry
Cylinder
Head
Jet
Nozzle
Check
Valve
Engineering
Drawing
Loading
Cylinder
Line
Flap
Nozzles
Plaxis
Shape
Graphic
Coordinate
Umat
Stiffness
2D
Jeans
Equations
Solid
Structures
Abaqus
Rotational
People interested in Axisymmetric Part Engineering Drawing also searched for
Two Dimenstonal
vs
Matrix
Fea
Element
Example
Axisymmetric
Buckling
RBCC
Section
Structure
Flow
Function
Figure
Simple
SBLI
Axis
Autoplay all GIFs
Change autoplay and other image settings here
Autoplay all GIFs
Flip the switch to turn them on
Autoplay GIFs
Image size
All
Small
Medium
Large
Extra large
At least... *
Customized Width
x
Customized Height
px
Please enter a number for Width and Height
Color
All
Color only
Black & white
Type
All
Photograph
Clipart
Line drawing
Animated GIF
Transparent
Layout
All
Square
Wide
Tall
People
All
Just faces
Head & shoulders
Date
All
Past 24 hours
Past week
Past month
Past year
License
All
All Creative Commons
Public domain
Free to share and use
Free to share and use commercially
Free to modify, share, and use
Free to modify, share, and use commercially
Learn more
Clear filters
SafeSearch:
Moderate
Strict
Moderate (default)
Off
Filter
Engineering Drawing Parts
List
Engineering Drawing
Types
Part Drawing
Technical
Part Drawing
Sectional View
Engineering Drawing
Part Drawing
Symbols
Mechanical
Part Drawing
Detail
Part Drawing
Drafting
Drawing
Plastic
Part Drawing
Engineering Drawing
Typical
Engineering
CAD Drawings
Engineering Drawing
Layout
Mechanical ISO
Drawing
3D Technical
Drawing
Engineering Drawing
Components
Notes On
Engineering Drawing
Mechanical Drawing
Sketch
Basic Mechanical
Engineering Drawing
Engineering
Process Drawing
Sketching
Engineering
Engineering
Graphics Drawing
Engineering Drawing
Dimension Symbols
Mechanical Drawings
Examples
Pictorial
Engineering Drawing
Engineer Drawing
Example
Engineering Drawing
Sheet
Mechanical Drawing
PDF
Engineering Drawing
Tolerance Symbols
Engineering
Welding Symbols
Engineering Drawing
Border
Engineering Drawing
Guide
Product Technical
Drawing
Sub Assembly
Drawing
Detailed
Engineering Drawing
Engineering Drawing
Machining Symbols
SolidWorks
Part Drawing
Simple Mechanical
Drawing
Engineering Drawing
Before CAD
Engineering Drawings
Explained
Engineering Drawing
Dimensions
Component
Drawing
ASME
Drawing
AutoCAD Mechanical
Drawing
Cross Section
Engineering Drawing
2D Drafting
Drawings
Engineering Drawing
Lettering
Part Drawing
Template
Sheet Metal
Engineering Drawing
Engineering Drawing
Basics
349×256
Washington University in St. Louis
10.7 Example: axisymmetric mount
800×617
www.eng-tips.com
Datum Reference Frame for Position Control on Axisymm…
13:44
www.youtube.com > Not Real Engineering
Axisymmetric analysis using ANSYS workbench
YouTube · Not Real Engineering · 40.9K views · Jan 28, 2023
850×610
researchgate.net
Hand-drawn work, axi-symmetry part | Download Scientific Diagram
Related Products
Engineering Drawing Set
Mechanical Engineering Dra…
CAD Engineering Drawings
1024×768
SlideServe
PPT - Chapter 9 – Axisymmetric Elements PowerPoint Presentation, free ...
320×180
slideshare.net
Axisymmetric | PPTX
1024×768
SlideServe
PPT - Typical Textures, part 2: Thermomechanical Processing (TMP) of ...
850×251
researchgate.net
Axisymmetric and non-axisymmetric parts [5]. | Download Scientific Diagram
1280×720
www.youtube.com
Use circular array technique to draw axisymmetric parts by solidworks/在 ...
552×352
support.sw.siemens.com
How do I model and mesh bolts and nuts for turbomachinery axisymmetric ...
Explore more searches like
Axisymmetric
Part Engineering Drawing
Magnetic Field
Flow Example
Water Waves
Transverse Mode
Solid Diagram
Cavity Filling
Round Geometry
Problem Diagram
Level Set Equation
Finite Element Model
Electric Field
Building Layout
300×103
simutechgroup.com
Introduction to General Axisymmetric Elements | Ansys …
2048×1152
slideshare.net
Axisymmetric | PPTX
480×360
www.youtube.com
使用Solidworks的簡單軸對稱零件繪製/Simple axisymmetric …
1603×895
simutechgroup.com
How to Model General Axisymmetry | Ansys Mechanical WB
360×158
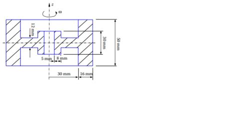
chegg.com
Solved The axisymmetric parts shown below are to be produce…
9:25
www.youtube.com > Not Real Engineering
Axisymmetric analysis tutorial for beginners | ABAQUS CAE
YouTube · Not Real Engineering · 16.4K views · Mar 22, 2023
6:10
YouTube > ProgressionSupport
Pt. 1 SolidWorks Simulation of axisymmetric parts
YouTube · ProgressionSupport · 5.4K views · Aug 31, 2011
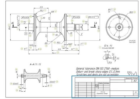
1584×1013
cqeacademy.com
Engineering Drawings & GD&T For the Quality Engineer
474×332
fractory.com
Engineering Drawing Views & Basics Explained | Fractory
345×235
simutechgroup.com
Introduction to General Axisymmetric Elements | Ansy…
782×491
fity.club
Auxiliary View Drafting Auxiliary Views, Projections, Dimensions
600×424
richconn-cnc.com
Fundamentals and Techniques of Engineering Drawings - Richconn
640×640
researchgate.net
Velocity field of axisymmetric drawin…
1200×628
guvi.io
Engineering Drawing Basics Explained [Bonus Tips Included] - GUVI Blogs
853×620
blogspot.com
Lecture Notes: Engineering Drawing - Part 5
768×510
viva.pressbooks.pub
Drawings – Introduction to Engineering Design
People interested in
Axisymmetric
Part Engineering Drawing
also searched for
Two Dimenstonal vs
Matrix
Fea
Element Example
Axisymmetric Buckling
RBCC
Section
Structure
Flow Function
Figure Simple
SBLI
Axis
734×473
ph.pinterest.com
Step-by-Step Guide to Drawing an Object with Measurements
1502×982
sendcutsend.com
Engineering Drawings: Part Drawings vs Assembly Drawings
770×738
researchgate.net
Model A. Engineering drawings of Model A fr…
1280×720
www.youtube.com
METHOD OF DIMENSIONING : ALIGNED METHOD II Engineering drawing II - YouTube
1265×740
chegg.com
Solved For the axisymmetric part sketched below, assume that | Chegg.c…
800×607
researchgate.net
Axisymmetric views of the assembly drawing of the 17.1 …
907×531
blogspot.com
Lecture Notes: Engineering Drawing - Part 3
1322×932
blogspot.com
?What do you know about the engineering drawing « Ali's Engi…
1224×792
fastradius.com
What to Include in Your Engineering Drawing | Fast Radius
Some results have been hidden because they may be inaccessible to you.
Show inaccessible results
Report an inappropriate content
Please select one of the options below.
Not Relevant
Offensive
Adult
Child Sexual Abuse
Feedback